安装与接线


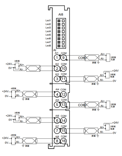
接线图

*COM端内部导通。
*所有通道负载需同源,通道之间不隔离。
*模拟量I/O模块支持输入过压保护。